|
|
 |
ADAPTING TELE-Q
TO OPERATE MULTIPLE TELEPHONES
Tele-Q offers a remote control line which permits a number of interface possibilities, including the
remote control of several telephones. When using this line be sure to heed the warning on your Tele-Q
Block Diagram.
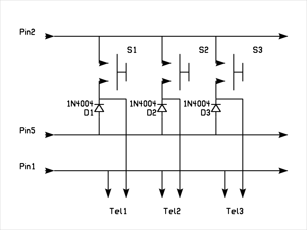
For each telephone you want to control you will need a momentary single pole single throw (SPST)
pushbutton switch and a diode. The diode must have a peak inverse voltage rating (PIV) of 300 volts
or greater, such as the 1N4004. You can control as many phones as youwish; however, Tele-Q is designed
to ring up to five phones at once, so you should push no more than five buttons at one time.
Pin2: Tele-Q Common
Pin5: Remote Control Line (Pin 3 when pads 3 and C are jumpered)
Pin1: Ringing voltage pin
S1, S2, and S3: SPST switches
D1, D2, and D3: Diodes
Tel1, Tel2, and Tel3: Telephones corresponding to S1, S2 and S3
Normally, access to the remote control line requires a 6x6 modular plug with a six conductor cable
loaded into it. Since these plugs are not as easy to find as the more common 6-4 plug with a four
conductor cable, you can modify Tele-Q to be remotely controlled through a four conductor cable. To do
this, solder a jumper wire between pads three (3) and C (next to the AC Adapter Jack on the circuit
board) and the remote control line will be on pin 3 as well as pin 5.
Modular connectors can be installed in two ways, so there is no standard wire color associated with
the pins. It is therefore recommended that after the Tele-Q cable is prepared an ohmmeter be used to
identify wires against the pin numbers printed on the Tele-Q circuit board. This should be done with
at least one battery removed. Telephones themselves are always connected to the center pair (red &
green) and can be connected in either direction.
|
|
|
|